全国采购热线:0515-85411288
热门关键字:
微型齿轮减速电机
电机
直角齿轮减速电机
直流电机
您的当前位置:首页>>产品中心>>行星减速器
PLS减速比、机座号
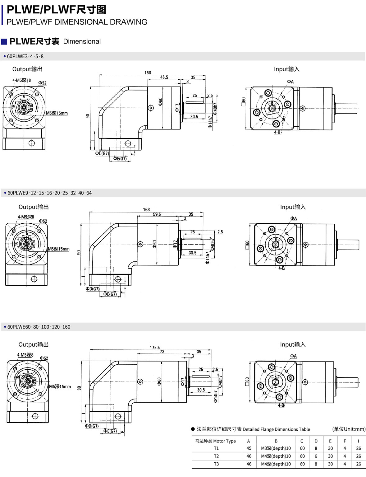
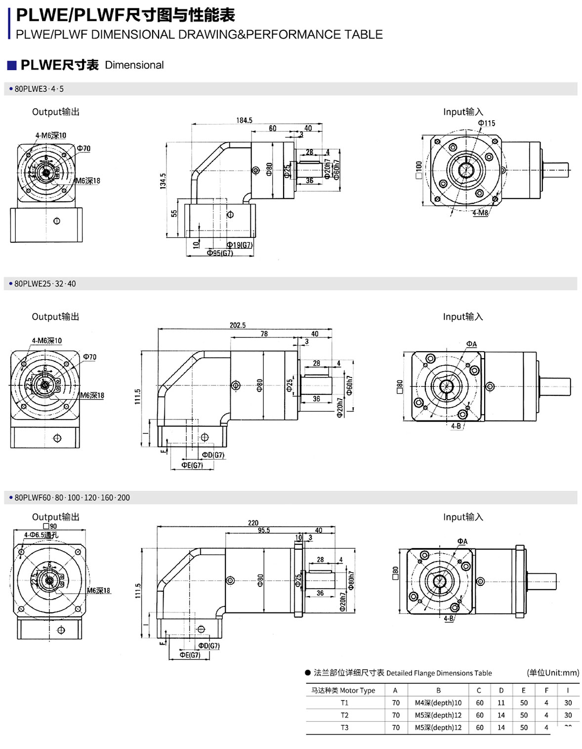
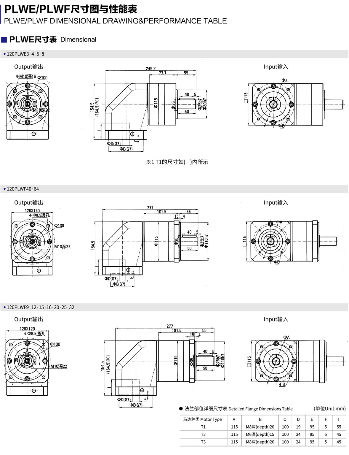
PLWE/PLWF减速比、机座号
PLE/PLF减速比、机座号
江苏松冈传动科技有限公司 版权所有 苏ICP备18032970号